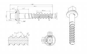
TİRFONLAR
Beton travers trifonu, ray bağlantı sistemlerinde kullanılan özel formda bir bağlantı elemanıdır. Beton travers içerisine yerleştirilen polyamid veya döküm muhafazaya vidalanarak rayın güvenli şekilde sabitlenmesini sağlar. Yüksek çekme dayanımı, helisel diş yapısı ve galvaniz kaplaması sayesinde uzun ömürlü ve güvenli kullanım sunar.
Trifon, özellikle UIC 54 – UIC 60 ray profilleri, B70 / B75 / B58 beton traversler ve farklı ray bağlantı sistemleri ile uyumludur.
Teknik Özellikler
Malzeme
-
Yüksek dayanımlı karbon çeliği
-
Korozyona karşı sıcak daldırma galvaniz kaplama
-
Mekanik mukavemeti artırılmış özel alaşım seçenekleri
Uyumluluk
-
Beton travers tipleri: B70, B75, B58 ve diğer standart tipler
-
Ray profilleri: UIC 54 – UIC 60 – R260 – R350HT
-
Çeşitli ray bağlantı sistemleriyle uyumlu (pandrol, fastclip vb.)
Boyutlar (Standart)
-
Boy: 160–200 mm (isteğe göre üretim)
-
Diş çapı: M24 – M27
-
Diş tipi: Özel trifon dişi / helisel form
-
Tolerans: ±0.3 mm
Mekanik Dayanım
-
Çekme dayanımı: ≥ 120 kN
-
Kesme dayanımı: ≥ 90 kN
-
Tork dayanımı: 250–300 Nm
-
Düşük bakım gerektiren uzun ömürlü yapı
Performans Özellikleri
-
Yüksek titreşim ve dinamik yük direnci
-
Ray oturma stabilitesini artırır
-
Gevşeme ve dönme karşıtı tasarım
-
Zorlu saha şartlarına karşı uzun süreli dayanım
-
Termal genleşme hareketlerine uyumlu yapı
Kullanım Alanları
-
Konvansiyonel demiryolu hatları
-
Yük taşımacılığı hatları
-
Metro & hafif raylı sistemler
-
Endüstriyel hatlar
-
Hızlı tren hatlarında uygun sistem seçeneğine göre
Avantajlar
-
Yüksek bağlantı güvenliği
-
Uzun servis ömrü
-
Kolay montaj ve bakım
-
Zorlu iklim şartlarına uygunluk
-
Standartlara uygun üretim (EN, UIC ve TCDD şartnameleri)
İsteğe Bağlı Üretim Seçenekleri
-
Farklı boy ve çap seçenekleri
-
Özel kaplama (galvaniz, dacromet, epoxy vb.)
-
Müşteri çizimine göre üretim
-
Paketleme ve etiketleme seçenekleri
Üretim Standartları
-
TCDD Teknik Şartnamesi
-
UIC 864-1
-
EN 10083
-
ISO 898-1
| tip | Ss5.-150 | V20-135 | ||
| Ss8-140 | V23-115 | |||
| Ss8-150 | V23-135 | |||
| Ss8-160 | V23-155 | |||
| Ss23-160 | V23-215 | |||
| Ss25.-165 | V26-115 | |||
| Ss35.-161 | ||||
| Veya müşterilerin çizimleriyle yazın | ||||
| sınıf | 4.6 | 5.6 | 8.8 | 10.9 |
| Malzeme | Q235 | 35 # | 45 # | 40Cr |
| Mekanik özellikler | Çekme mukavemeti: ≥400Mpa | Çekme mukavemeti: M500Mpa | Çekme mukavemeti: ≥800Mpa | Çekme mukavemeti: ≥1000Mpa |
| Verim gücü: 40240Mpa | Verim gücü: M300Mpa | Verim gücü: 40640Mpa | Verim gücü: ≥900Mpa | |
| Uzama: ≥22% | Uzama: ≥20% | Uzama: ≥12% | Uzama: ≥9% | |
| Soğuk bükme: çatlak olmadan 90 derece | Soğuk bükme: çatlak olmadan 90 derece | Soğuk bükme: çatlak olmadan 90 derece | Soğuk bükme: çatlak olmadan 90 derece | |
| Yüzey | sade (yağlı), Oksit siyahı, Çinko, HDG, mum, bitüm, Dacromet, Sherardizing | |||
| Standart başvuruları | ISO898-1, UIC864-1 ve NF F500-50 | |||



